拓建有限公司
  • 關於我們
  • 產品介紹
  • 實品案例
  • 檔案下載
  • 常見問題
  • 聯絡我們
  • 產品詢問車
  • 首頁
  • 產品介紹
  • 多功能支架(結構型)

產品介紹

  • 管型
  • 實心型
  • 角鋁型
  • 多功能支架(結構型)
  • 異型
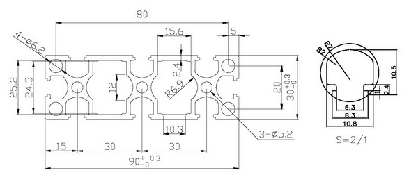
  • SS3090 1
  • SS3090

SS3090

加入詢問車
回上層
Tel:04-22121080
Fax:04-22120900
Skype:t0423015867
E-mail:jayyilin1981@gmail.com
Add:台中市東區旱溪六街156號
GO
Designed by 米洛網頁設計